
他店でエンジンチューニング後、純正ECUではまともに走らず、仕方なくフルコンを付けたものの調子がイマイチ。何度持ち込んでも解決せず、ご自身で調整を試みてもどうにもならず、という事でご相談頂き、セッティングを施工しました。
AE111の20バルブ4AGのハイカム&ハイコンプ仕様。調整前に乗ってみると明らかに調子悪い。ノッキングが至る所でチリチリ。停止時にクラッチ切るとストール気味とストレスフル。
この手の作業は再セッティングと言っていますが、基本的に新規データ製作と変わらない工程になりがちで、とりかかる前から、その覚悟は出来ていますw
汎用モデルを使用していると思いきや、MR2用のプラグインモデルを加工流用してありました。これ良いね。多少ピン配置弄れば使えますね。AE111のECUでお困りの方はご相談下さいw
AEMの空燃比計をCAN接続するためにECUケースを開けたところ何かが真っ黒に焼けていました。

Aux出力のコンデンサっぽいですね。以前のオルタネーター故障時に電圧が異常に上がって焦げ臭い匂いがしたらしいので、その際にパンクしたと思われます。比較的軽症で良かったです。

周辺を点検しつつ、清掃、部品交換。表面実装でも大き目の素子だと楽勝ですね。基盤のパターンや他の素子の破損は無さそうでした。
後は普通にセッティングやって完成。不調の原因を特定、修正し、3晩走り回り仕上げました。4スロ+ISCVの仕様はアイドルの燃調が大変です(電動4スロやシングルスロットル+ISCVの場合とくらべた場合)。補正マップを駆使して水温やACのオンオフを問わず安定するように設定しました。
苦労の甲斐あって、お客様には「すげー調子良い、普通に乗れるし、全域早い。以前の感覚でアクセルを踏むとグイグイ加速する」と、とても喜んで貰えました。
作業中にトラブルシューティングの一環でECUの配線図無いかとググってみたものの見つからず。そういや変態カローラ用に整備書CD持ってたわ。という訳で
おまけ
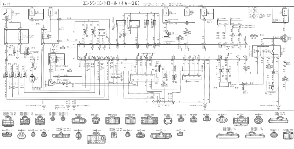
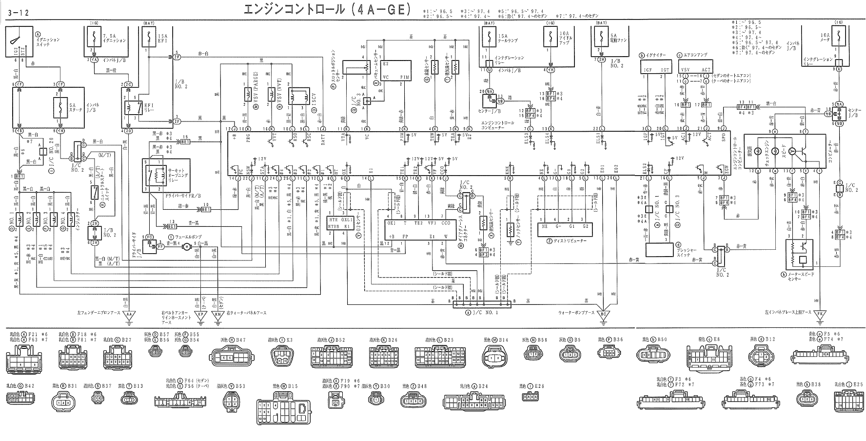
AE111 エンジン配線図

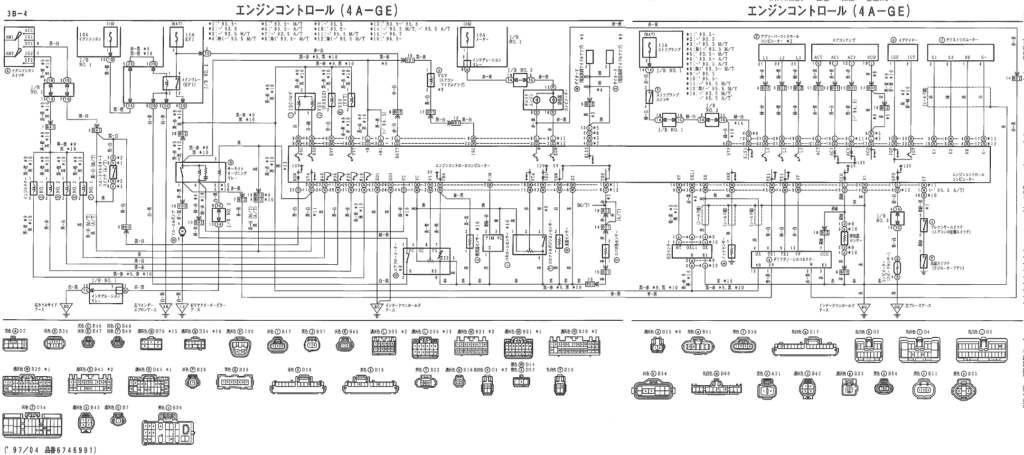
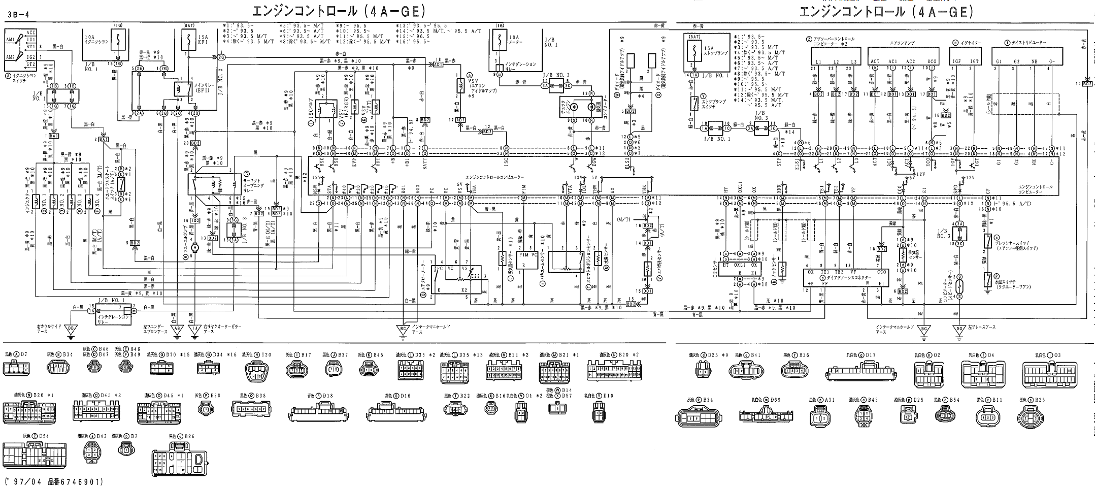
AE101配線図

いずれもトヨタがかつて販売していた整備書CDより。AE101の前期、中期MTはAE111との互換性無さそうですね。AE101後期からMAPセンサー制御になっています。そして、AE101中期とEP91ターボ、EP82ターボATのコネクタが同じ&ピン配置もそっくり。
要望が数件あれば、AE101MT中期、EP91ターボ、EP82ターボ(AT)用にLink用アダプターボード作れそうです。EP82ターボMT、EP82NAもほぼ共通なので共用で作れますね。ご希望でしたらご予約下さい。







コメントを残す